A resonant grounded system can significantly reduce the ground fault currents. This grounding system basically consists of a tuned reactor connected between the neutral and the ground that resonates with the line-to-ground capacitance of the system so that the magnitude of the ground current is reduced. This reactor is knowns as a ground-fault neutralizer or Peterson coil or an arc suppression coil.
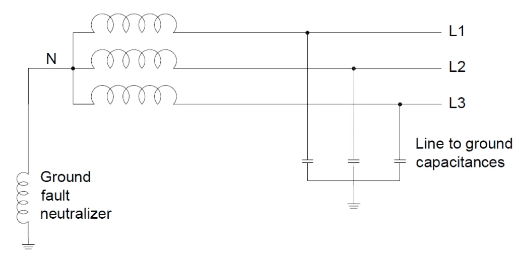
Ground fault in a resonant grounded system
On the occurrence of ground faults, the line to neutral voltage appears across the coil due to which a current (IN) flows through it. When the neutralizer is properly tuned to the system, IN and the resultant of the system charging currents (I1 and I2) from the unfaulted phases shall be 1800 out of phase and equal in magnitude. Hence, the inductive and capacitive components of these currents neutralize each other.
Therefore only remaining current in the fault is that due to resistance, insulation leakage, and corona, which is very small and in phase with the line to neutral voltage. The fault current and the voltage pass through the zero crossing at the same instant and the arc is extinguished without restriking and flashovers are quenched without removing the faulted line section from service.
Peterson coil or Arc Suppression Coil or ground-fault neutralizer
Peterson coil was first developed by Waldemar Petersen in 1917. It can add an inductive current of appropriate magnitude to neutralize the capacitive fault current. It consists of an iron-cored reactor connected between the system neutral and the ground. In order to reduce the capacitive charging currents effectively, the reactance of the coil must be tuned to the capacitive leakage of the network at the time of the earth fault. Hence, to match the varying system capacitance, taping is provided in the coil such that, the coil can be tuned with the capacitance of the system. Resonant grounding is common in 15kV overhead distribution systems but not used in industrial systems.

The system is fully compensated when the system capacitance is matched by the inductance of the coil. If the reactor inductance does not match the system capacitance, it can be over-compensated or under-compensated, depending on the relationship between
inductance and capacitance.
The older systems made use of fixed-value reactors to reduce cost. In those systems, it was difficult to achieve 100% tuning due to the variations in the system capacitances. Tap-changing reactors permit manual or automatic control of the tuning conditions.
A modern resonant grounding system consists of a fixed arc suppression coil and an auxiliary winding. A capacitor bank is connected to the auxiliary winding. The capacitive leakage of the network can change for several reasons. Depending on the variations in the capacitive leakage of the network, the capacitors in the capacitor bank are switched to tune the coil to the resonant frequency.
Advantages
The following are the advantages of a resonant grounded system:
- Effectively prevents any damage by an arcing ground.
- The system can function without interruption even with ground faults.
Disadvantages
- Due to varying operational conditions, the capacitance of the network changes from time to time. Therefore, inductance L of the Peterson coil requires readjustment.
RCC Ground Fault Neutralizer
RCC stands for residual current compensation. An RCC ground fault neutralizer system is a combination of Peterson coil, capacitor bank, and power electronics devices, all together providing complete fault protection. The fault current can be nullified and the system can continue to operate for all kinds of ground faults. It makes use of microcontrollers and power electronic devices to achieve this. Below is the schematic of an RCC GFT offered by Swedish Neutral.




Excellent article, it would be good to complement it with a calculation procedure to estimate the equipment required to eliminate the ground fault